
UMCS欢迎用户参与,用户可以编辑本页面内容和增加材料代码。
请在屏幕右上角注册登录。
----------------------------------------------------------------
用手机查询材料代码,请关注微信服务号 UMCS,或者在微信中扫一扫:
================================================================
相关链接
1.三千控制阀网
相关材料
单座调节阀
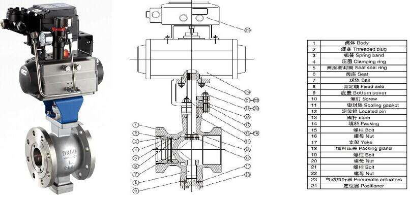
气动开关球阀
电动开关球阀
气动开关蝶阀
角形控制阀